18+ Hopkins Wiring Diagram


Trailer Wiring Diagram And Installation Help Towing 101


August 2020 Positive Change Purchasing Cooperative


Trailer Wiring Diagrams Offroaders Com Provides Information And Entertainment To 4 4 Enthusiasts Worldwide


Oaklands College Prospectus 23 24 By Oaklands College Issuu


Trailer Wiring Diagram Lights Brakes Wire Connectors More


Trailer Wiring Diagram And Installation Help Towing 101


Trailer Wiring Diagram Lights Brakes Wire Connectors More


Tailoring The Electronic And Catalytic Properties Of Au25 Nanoclusters Via Ligand Engineering Acs Nano


Zxcvbn Dist Zxcvbn Js Map At Master Dropbox Zxcvbn Github


Amazon Com Eudax 18 Set Dc Motors Kit Mini Electric 1 5 3v 24000rpm Hobby Motor With Aa Battery Holder For Stem Diy Toy Toys Games


Clocks Sleep Free Full Text 33rd Annual Meeting Of The Society For Light Treatment And Biological Rhythms Sltbr 23 Ndash 25 June 2022 Manchester Uk


Abstractsfourth Biennial Conference On Resting State Brain Connectivityseptember 11 13 2014boston Cambridge Massachusetts Usa Brain Connectivity


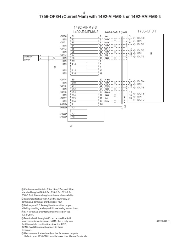
Wiring Diagram For 1756 Of8h Analog Current Output Module Connected To 1492 Aifm8 3 Or 1492 Raifm8 3 Analog Input Modules Pdf Manufactured Goods


Wire Color Chart Diagram For Installing Hopkins Multi Tow 7 Way Blade And 4 Way Hm11141144 Etrailer Com


Gravely 988085 010000 Pro 200 18hp Robin Parts Diagram For Wiring Diagram 18 H P


The Developmental Trajectory Of 1h Mrs Brain Metabolites From Childhood To Adulthood Biorxiv


Global Warming Just Facts


The Rigs

Iklan Atas Artikel

Iklan Tengah Artikel 1

Iklan Tengah Artikel 2

Iklan Bawah Artikel